
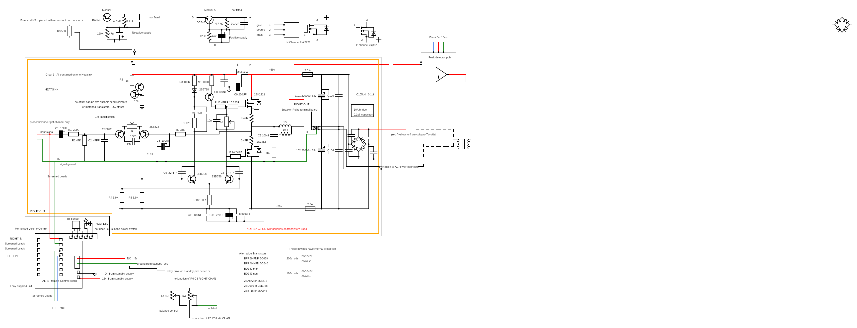
twin Mos fet amp powere amp
by kathy child
- Details
- Netlist
No description.
This circuit was created by a member of the community and has no affiliation to the Circuit Diagram project.

No description.
This circuit was created by a member of the community and has no affiliation to the Circuit Diagram project.