
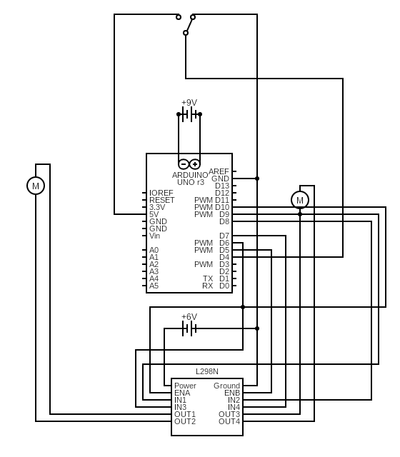
double motor setup
by a Circuit Diagram User
- Details
- Netlist
No description.
This circuit was created by a member of the community and has no affiliation to the Circuit Diagram project.

No description.
This circuit was created by a member of the community and has no affiliation to the Circuit Diagram project.