
Raspberry pi based home automation with touch screen control
by Shelin Vankawala
- Details
- Netlist
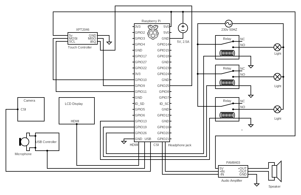
IN this 5inch tft display used. Through which electrical appliances are controlled
This circuit was created by a member of the community and has no affiliation to the Circuit Diagram project.