
TASN2Valves
by Kyle Mikkelsen
- Details
- Netlist
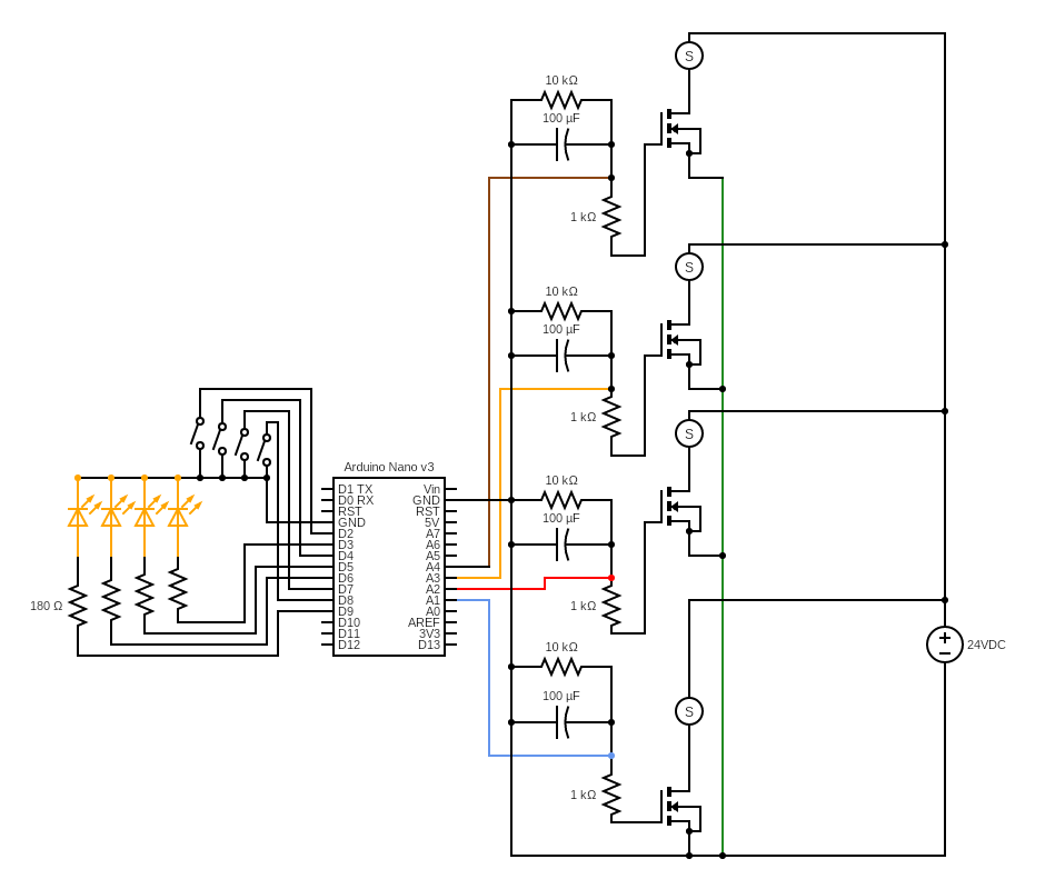
Thermal analysis nitrogen manifold valve actuator when paired with python script on PC
This circuit was created by a member of the community and has no affiliation to the Circuit Diagram project.

Thermal analysis nitrogen manifold valve actuator when paired with python script on PC
This circuit was created by a member of the community and has no affiliation to the Circuit Diagram project.